Modelo: 750-1504
Marca: WAGO
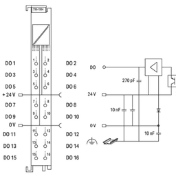
El módulo de salida digital WAGO 750-1504 es una solución compacta de automatización que ofrece 16 canales en un diseño de apenas 12 mm de ancho. Transmite señales binarias desde el controlador de automatización a actuadores como válvulas y relés. Este módulo incluye conectores Push-in CAGE CLAMP para facilitar la conexión de conductores, y presenta indicadores LED que muestran el estado de cada canal. Está diseñado con separación galvánica para asegurar la integridad del sistema y del campo.